Russian
DC-1GHz 10W средняя мощность низкая потеря вставки Dpdt коаксиальный переключатель
коаксиальный переключатель DC - 1GHz 10W со средней мощностью
Коаксиальный Переключатель Можно Да. Связанные Принято Напряжение Или Компьютеры Программируемый А Да. Привыкнуть В Переключить В микроволновой цепи. В зависимости от количества выходных портов они включают SPDT - SP8T, 2PDT, 2P3T и Transfer.
Коаксиальный переключатель SWT - TKC - 1000 DPDT # 39; средняя мощность 10 Вт, частотный диапазон DC - 1 ГГц, который характеризуется низкими потерями при вставке, низким VSWR и отличной широкополосной производительностью.
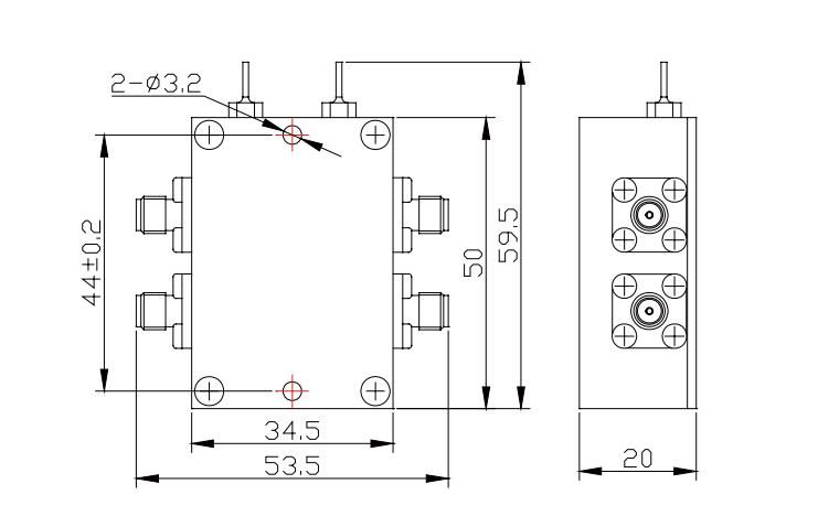
Механические спецификации
| Соединитель | булавка | Жилье | Диапазон температур | Размер | Вес |
| Золотое латунное покрытие | Бронирование бериллием | Алюминий, анодное окисление | Рабочая температура: - 10°C ~ + 50°C Нерабочая температура: - 40°C ~ + 70°C | 53.5×59.5×20 мм | 80 г |
Соответствие RoHS: Да
Электрические спецификации
| Тип | Частотный диапазон (ГГц) | отношение стоячей волны к максимальному напряжению | Вставить потери (dB) | Степень изоляции (dB) |
| SWT - TKC - 1000 | DC - 1 | 1.4. | 0,75 | 50 |
| Номинальное сопротивление | & Amp; НБСП; Пятьдесят.О, о, о |
| Средняя мощность | 10 Вт |
| Рабочее напряжение | + 12 В |
| ток катушки | 100 мА |
| Время переключения | Минимум 10 мс |
| Тип разъема | СМА (F) |
Заметки:
Допуск на размер ±2%


ДОБАВЛЯТЬ:Комната 410, 4-й этаж, здание 2, промышленная база больших данных, № 180, проспект программного обеспечения, район Юуатай, Нанкин, Цзянсу, Китай
+86 17302591509
+86 13951873509


