English
Коаксиальный коммутатор высокой мощности SPDT N 3 ГГц: особенности и спецификации для практического применения
радиочастотная характеристика
Изоляция | ВСВР | Радиочастотная мощность CW | ||
DC - 1 | 0,2 | 75. | 1.2. | 700 |
1 - 3 | 0,3 | Семьдесят. | 1.3. | 400 |
Операция Напряжение (V) | Двенадцать. | Двадцать четыре. | 28. | |
В настоящее время (МА) | Защита от неполадок | 300 | 180. | 150. |
Замок | 180. | 150. | ||
Да.
ТТЛ | Низкий TTL (V) | Высота TTL | |
0 - 0,3 | 3 - 5 В | 20 мА | |
Показатели | V (Максимальное значение) | Текущая емкостьMA (Максимальное значение) | |
Пятьдесят. | Сто. | Пятнадцать. |

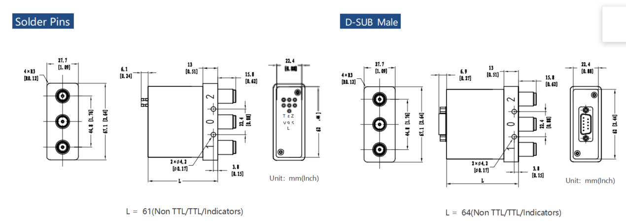
Спецификация
Переключить МС Макс. Операция Температура)
| Машины & Amp; NBSP & АМП; НБСП; Н |
А. ПодключениеПИН |

Защита от неполадок | |||||
ПИН |
| ||||
Один. | V. | ||||
Два. | Не применимо | - Да. | |||
Три. | ВНД | - Да. | |||
Четыре. |
Показатели | РЧ | |||
Пять. | |||||
Шесть. | - Да. | ||||
Семь. | ВДК | - Да. | |||
Не применимо | - Да. | ||||
Защита от неполадок ТТЛ | ||||||
ПИН |
| |||||
Один. | ВДК | |||||
Два. | ТТЛ | - Да. | ||||
Три. | ВНД | - Да. | ||||
Четыре. |
Показатели | РЧ | ||||
Пять. | ||||||
Шесть. | - Да. | |||||
Не применимо | - Да. | |||||
Замок | |||||
ПИН | - Да. | ||||
Один. | РЧ | ||||
Два. | |||||
Три. | ВНД | - Да. | |||
Четыре. |
Показатели | РЧ | |||
Пять. | |||||
Шесть. | - Да. | ||||
Семь. | ВДК | - Да. | |||
Не применимо | - Да. | ||||
Замок ТТЛ | |||||
ПИН | - Да. | ||||
Один. | ВДК | ||||
Два. | ТТЛ | РЧ | |||
Три. | ВНД | - Да. | |||
Четыре. | ТТЛ | ||||
Пять. | Показатели | РЧ | |||
Шесть. | |||||
Семь. | - Да. | ||||
Не применимо | - Да. | ||||


ДОБАВЛЯТЬ:Комната 410, 4-й этаж, здание 2, промышленная база больших данных, № 180, проспект программного обеспечения, район Юуатай, Нанкин, Цзянсу, Китай
+86 17302591509
+86 13951873509





