дом>Продукты>Усилители с низким уровнем шума (LNA)

Усилитель мощности 10000-13000MHz 20 Вт для промышленной & Коммерческое использование

Место происхождения: Китай
Торговая марка: SWT
Номер модели:SW-PA-1000013000-43C
Цена:Пожалуйста, свяжитесь с службой обслуживания клиентов
Описание продукта

Примечания

Нормы

Типичная производительность в системах + 28VDC + 25oC и 50 Ом.

RF / Электричество

Параметры

МИН

Тип.

Макс.

Единицы измерения

Эксплуатация и; НБСП; Частота

Десять тысяч.


МГц

РЧ Ввод

0

Три.

Пять.

ДБм

Суббота Электричество Экспорт

Сорок два.

43.

Сорок пять.

ДБм

Электричество Усиление& Amp; NBSP & АМП; НБСП;Плотность


±1.5.


ДБ

Ложный сигнал


- 50


ДБ

Введите & НБСП; ВСВР


1.8.

Два.


Рабочее напряжение

28.

Тридцать.

Тридцать два.

ВДК

 Сопротивление


Пятьдесят.


А

В настоящее время


Три.


А.


ММашины

ППараметры

V.Регион

УНИТ

Размер (Л Х В Х& Amp; NBSP & АМП; НБСП;Н)

 Пятнадцать.

Мм

РЧ& Amp; NBSP & АМП; НБСП;Соединитель (Ввод Экспорт)

- Да.

Постоянный ток / Контроль Соединитель

- Да.

Охлаждение

   А  

- Да.

Монтаж

 Принято Дырка

- Да.

Вес

1.5.

Килограммы


ЕОкружающая среда / ПЗащита

ППараметры

МВ

МАКС

УНИТ

Операция Временные работники. (Температура корпуса)

- 40

+ 60

°C

Влажность Сфера охвата

0 - 100

В процентах

 Температура отсечки

+ Девяносто.

°C


I. СОДЕРЖАНИЕНПУТ/ О& Quot; UTPUT & Quot; НБСП;Сектор

А.Усилитель ССоединительТТипА.

- Да.

ТРиад СМожно ПИскусство ННомерА.

- Да.

ННомер

Тип интерфейса

ДПримечания

Х1

РЧ В

Х2

РЧ Уходи!

Х3

 Контроль Интерфейс


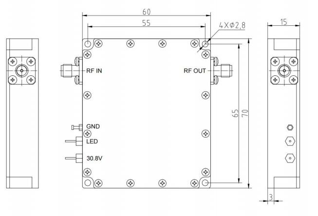
Общий обзор Измерения График

image.png

Подробная информация о товаре
Диапазон частот:
10000-13000 МГц
Источник питания постоянного тока:
Прирост:
43 дБ
Коэффициент шума:
Разъемы:
Изменение коэффициента усиления:
Вход КСВ:
Выходной уровень P1dB:
Рабочая температура:
Приложения:
Размеры:
Упаковка:
Условия оплаты и доставки
Минимальный объем заказа
1 шт.
Детали упаковки
Стандартная упаковка
Срок поставки
5-8 рабочих дней
Условия оплаты
Аккредитив, документарный аккредитив, документарный платеж, банковский перевод, Western Union, MoneyGram
Способность к поставкам
100 штук в месяц
Отправить запрос