Amplificador De Potência De Banda S 100-115 GHz Psat 16 DBm RF & Amp; Nbsp; Amplificador De Potência
DDescrição
Modelo& Nbsp;SWT-1041241015-0808-E1& Nbsp;é Um Amplificador De Potência De Banda F Com Um Ganho De Sinal Pequeno Típico De 10 DB E Um P Nominal1dB& Nbsp; De 15 DBm Em Toda A Faixa De Frequência De 100 A 115 GHz. O Requisito De Potência CC Para O Amplificador é De +8 VDCA Configuração Da Porta De Entrada E Saída Oferece Uma Estrutura Inline Com Guias De Onda WR-08 E Flanges Anti-encaixe UG-387/U-M. Outras Configurações De Porta Estão Disponíveis Sob Diferentes Números De Modelo.
| PARÂMETRO | Mínimo | TÍPICO | Máximo |
| Frequência | 100 GHz | 115 GHz | |
| Ganho | 10 DB | ||
| P1dB | +15 DBm | ||
| PSat | +16 DBm | ||
| PIN | 15 DBm | ||
| Perda De Retorno De Entrada | 10 DB | ||
| Perda De Retorno Do Produto | 10 DB | ||
| Tensão CC | +8 VDC | +12 VDC | |
| Corrente De Alimentação DC | 250 MA | ||
| Especificação Temperatura | +25 ˚C | ||
| Temperatura De Funcionamento | 0 ˚C | +50 ˚C |
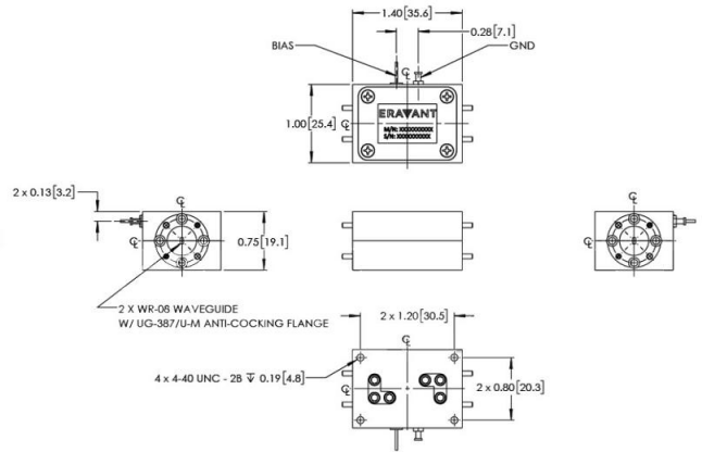
Especificações Mecânicas:
| Item | Especificação |
| INPUT | WR-08 Waveguide Com UG-387/U-M Anti-Cocking Flange |
| Saída | WR-08 Waveguide Com UG-387/U-M Anti-Cocking Flange |
| Viés | Pino De Solda |
| Material Da Caixa | Alumínio |
| Terminar | Banhado A Ouro |
| Peso | 1,6 Oz |
| Tamanho | 1,40" (L) X 1,00" (W) X 0,75" (H) |
| Esboço | BG-SF-2-A |
Esboço Mecânico:& Nbsp;(Salvo Especificação Em Contrário, Todas As Dimensões Estão Em Polegadas [milímetros])

·& Nbsp; Todos Os Dados Apresentados São Coletados A Partir De Um Lote Amostral. Os Dados Reais Podem Variar De Unidade Para Unidade.
·& Nbsp; Todos Os Testes Foram Realizados Sob Temperatura De Caso +25 ˚C.
·& Nbsp; A SAGE Millimeter, Inc. Reserva-se O Direito De Alterar As Informações Apresentadas Sem Aviso Prévio.
·& Nbsp; Exceder As Classificações Máximas Absolutas Mostradas Danificará O Dispositivo.
·& Nbsp; O Dispositivo é Sensível à Estática. Sempre Siga As Regras ESD Ao Trabalhar Com O Dispositivo.
·& Nbsp; A Temperatura Da Caixa Do Dispositivo Nunca Deve Exceder +50 ˚C. Use Dissipador De Calor Adequado Ou Ventilador, Se Necessário.




Нанкин Синьбао текнолоджи лтд...Основана в 2008 году, она & # 39; Компания специализируется на разработке, производстве и продаже активных, пассивных компонентов и подсистем радиочастотной микроволновой связи. Опираясь на академическую исследовательскую группу Нанкинского университета аэронавтики и астронавтики, наша компания создала инновационную команду исследований и разработок с докторскими и магистерскими талантами, которая постоянно привлекает талантливых специалистов в отрасли и выдающихся студентов из известных университетов и расширяет свою команду.
Наша компания имеет около 20 патентов на изобретения в таких областях, как активные и пассивные фазеры устройств, которые могут реконструировать антенны. Области применения охватывают такие военные области, как радиолокационная электронная война, аэрокосмическая и навигационная. В то же время он также широко используется в микроволновой связи, мобильной связи и других гражданских рыночных продуктах, охватывающих компоненты и антенны радиочастотных микроволновых устройств, в том числе высокомощные твердотельные микроволновые усилители мощности, низкошумные усилители приемопередатчика, верхние и нижние преобразователи частоты, источники частоты и так далее. Пассивные продукты включают микроволновые фильтры, дуплексные распределители мощности, соединители, синтезаторы мощности и так далее. Продукты антенны в основном основаны на различных высокопроизводительных растровых антеннах, охватывающих VHF, UHF, L - диапазон, S - диапазон, C - диапазон, X - диапазон, Ku - диапазон и так далее.
Наши; Компания расположена в красивой древней столице шести династий; Нанкин Юхуатай район большой промышленной базы данных. Для удовлетворения особых потребностей клиентов и более высоких требований к показателям, в дополнение к стандартным продуктам, мы также предоставляем клиентам индивидуальный подход к разработке продуктов, ориентированный на предоставление клиентам быстрых и качественных продуктов и услуг.








1.Наше преимущество
Опираясь на академические исследовательские группы известных университетов, компания создала инновационную исследовательскую группу с докторами и магистрами; S Степень талантов и постоянно поглощать выдающихся специалистов отрасли и выдающихся студентов известных университетов, чтобы укрепить строительство команды. Компания имеет около 20 патентов на микроволновое оборудование, схемы и антенны. Области применения включают радиолокацию, электронную войну, аэрокосмическую & НБСП;
2.О настройке
Мы можем настроить & # 39 в соответствии с требованиями наших клиентов; s Требования, просто скажите нам частоту, усиление, мощность.
3.О сроках поставки
Индивидуальные продукты обычно занимают 4 - 6 недель, и при наличии запасов их можно отправить в течение 1 - 2 недель.nbsp;
4.Как обеспечить качество
1)Контроль качества: строгая проверка соответствия сырья и производственных процессов стандартам.
2)Тестирование производительности: проведение функциональных и экологических испытаний для проверки выхода мощности и других ключевых показателей.
3)Гарантии и поддержка: Предоставление гарантийного срока и технической поддержки для решения проблем, возникающих в процессе использования.
4)Аудиторская проверка завода: регулярно проводятся внутренние и сторонние проверки качества.
5.Способ поставки
Если у вас есть собственный экспедитор, мы можем отправить его в назначенное вами экспедиторское агентство, и если нет, мы можем выбрать наиболее удобный способ доставки, такой как DHL, Fedex, воздушный или морской транспорт.
6.Способы оплаты
Аккредитивы, акцепты, платежные поручения, телеграфные переводы, денежные переводы Western Union, Moneygram, Paypal, Alipay, Bank.
